حراج السيارات/قطع غيار وملحقات/خدمات فحص السيارات

تجديد وتصليح الضفائر المحروقه ومأكوله من الفيران

جدهقبل ٧ ساعات
ا
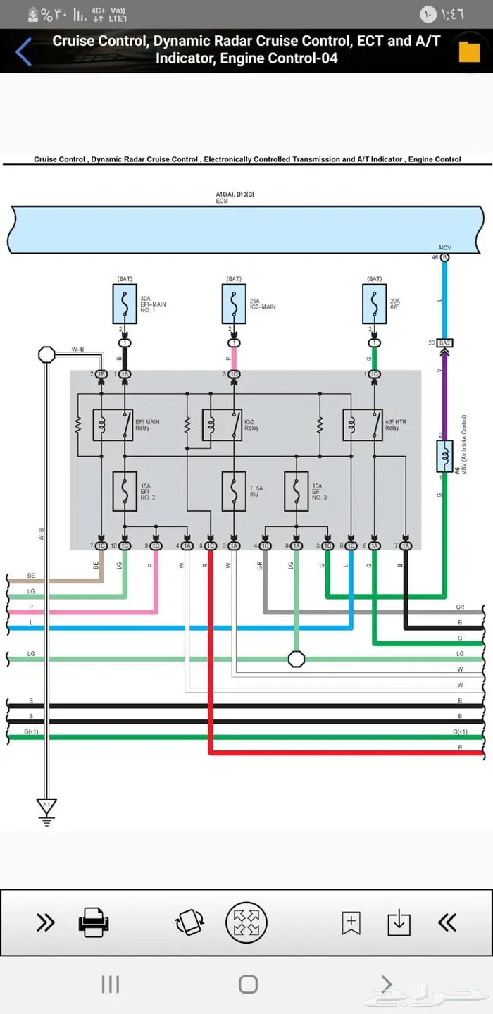
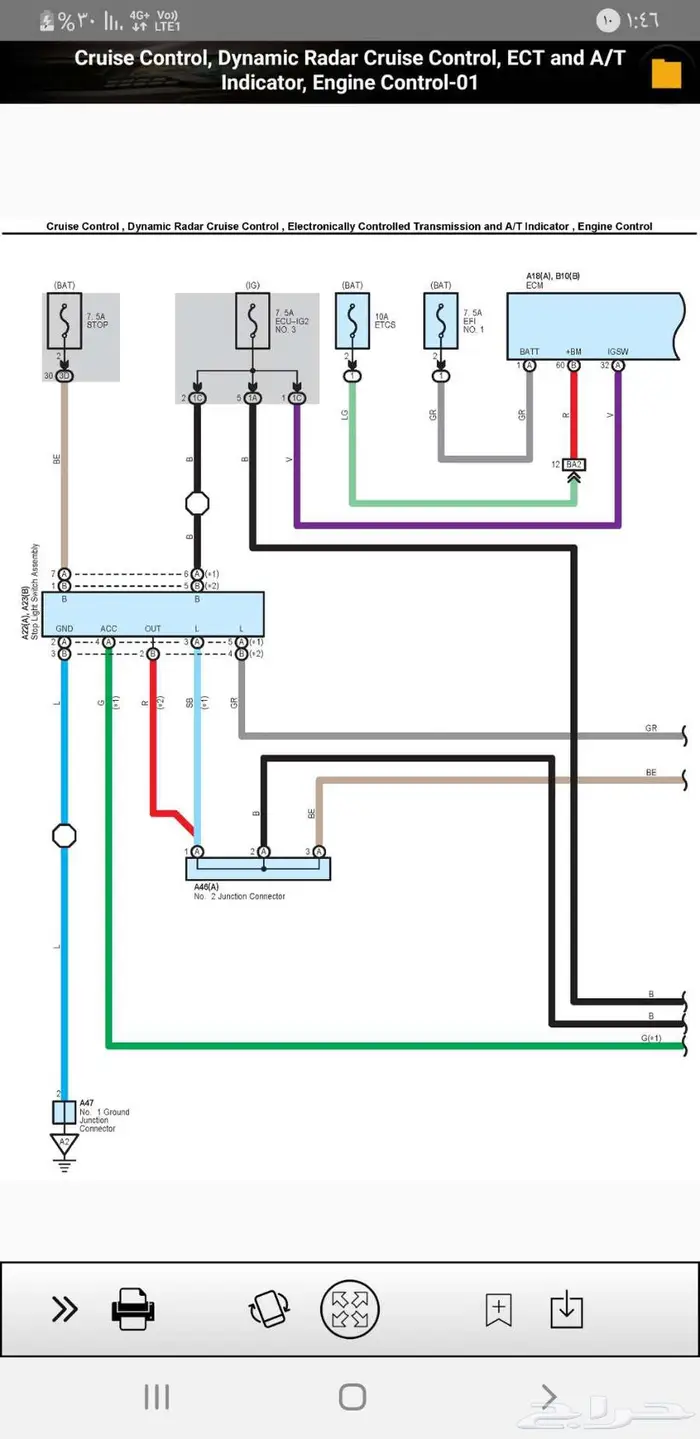
قطع غيار وملحقات خدمات فحص السيارات تنوييه لعملائنا الأكارم ¦ التواصل بالحجز موعد عن طريق الواتس اب بنفس الرقم ذا( 0509534737 ) المعلم هندسة بكل ما يخص الكهرباء والميكانيكا /أحمد الخيال كل ما يخص في مشاكل الضفائر المأكوله من الفيران دائمآ في أغلبية السيارات الأمريكي والاروبي وانقطاع النحاس الداخلي من تحت العوازل بالذات في النيسان والانفنتي والهونداي والكيا وانقطاع خطوط الربط بين الافياش التويوتا واللكزس والسيارات الأوروبي تفتت للعوازل الخارجيه للنحاسات الداخليه
تجديد وتصليح الضفائر المحروقه ومأكوله من الفيران 0تجديد وتصليح الضفائر المحروقه ومأكوله من الفيران 1تجديد وتصليح الضفائر المحروقه ومأكوله من الفيران 2تجديد وتصليح الضفائر المحروقه ومأكوله من الفيران 3تجديد وتصليح الضفائر المحروقه ومأكوله من الفيران 4تجديد وتصليح الضفائر المحروقه ومأكوله من الفيران 5تجديد وتصليح الضفائر المحروقه ومأكوله من الفيران 6تجديد وتصليح الضفائر المحروقه ومأكوله من الفيران 7تجديد وتصليح الضفائر المحروقه ومأكوله من الفيران 8تجديد وتصليح الضفائر المحروقه ومأكوله من الفيران 9تجديد وتصليح الضفائر المحروقه ومأكوله من الفيران 10تجديد وتصليح الضفائر المحروقه ومأكوله من الفيران 11تجديد وتصليح الضفائر المحروقه ومأكوله من الفيران 12تجديد وتصليح الضفائر المحروقه ومأكوله من الفيران 13تجديد وتصليح الضفائر المحروقه ومأكوله من الفيران 14تجديد وتصليح الضفائر المحروقه ومأكوله من الفيران 15تجديد وتصليح الضفائر المحروقه ومأكوله من الفيران 16تجديد وتصليح الضفائر المحروقه ومأكوله من الفيران 17